Conçu à l’aube des années 1930, l’hôtel Royal Monceau est situé tout près des Champs-Élysées, à quelques encablures seulement de l’Arc de Triomphe. Haut lieu de la vie parisienne, l’établissement est racheté en 2008 par un fonds qatari qui initie un important programme de réhabilitation pour donner une seconde vie à cet hôtel luxueux.
Le Royal Monceau ferme alors ses portes pour deux années de travaux. En charge de cette ambitieuse rénovation, le designer Philippe Starck prévoit un imposant espace spa éclairé par un bassin situé au niveau supérieur.
Texte : Benoît Viallon.
Pourquoi Idoine Piscines ?
Entreprise fondée il y a près de 50 ans, Idoine Piscines s’est forgé une solide réputation dans la réalisation de piscines d’intérieur en région parisienne. L’entreprise travaille très régulièrement avec des architectes ou des promoteurs sur des installations destinées à accueillir du public. « Nous bénéficions grâce à notre expérience d’une solide image de spécialiste en la matière, analyse Marc Idoine, dirigeant de l’entreprise. Lorsqu’un établissement souhaite se doter d’une piscine, le manque d’espace sur Paris fait que cette réalisation prend presque systématiquement la forme d’un bassin d’intérieur. Et bien souvent, c’est Idoine Piscines qui est retenue pour mener le projet à bien. Dans le cas présent, Bouygues Immobilier a directement fait appel à nous. Nous collaborons avec ce promoteur depuis de longues années, il connaît bien la qualité de nos réalisations et notre capacité à nous intégrer dans un projet global. C’est donc très logiquement qu’il nous a confié cette prestation. »

La réalisation
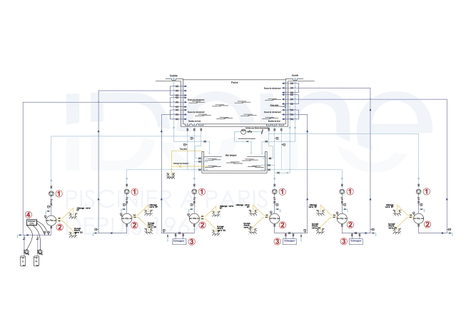
Un projet de cette envergure requiert l’intervention de nombreux corps de métier. Pour que le déroulement des opérations reste optimal, de très nombreuses réunions de chantier ont eu lieu tout au long des trois années nécessaires à la réalisation des différents bassins. « Notre structure étant rodée à ce genre de procédures, cela n’a donc pas été une contrainte pour nous » relève Marc Idoine. Les difficultés de cette réalisation étaient plus liées au degré d’exigence du designer. « Nous avons réalisé des pièces à sceller sur mesure selon les directives précises de Philippe Starck et conçu les margelles de façon à ce que le débordement soit le plus silencieux possible. Le designer a imaginé l’espace spa comme un vaste nuage blanc. Le revêtement du bassin principal est un mélange de verre et de marbre, il laisse miroiter l’éclairage zénithal qui provient d’un bassin situé dans le patio et dont le fond est en verre. Beaucoup d’aspects techniques ont dû être appréhendés en termes d’étanchéité ou de ponts thermiques. Les trois membres de notre bureau d’études n’étaient pas de trop ! » Mais c’est surtout la conception hydraulique qui a mobilisé les compétences de l’entreprise en matière d’ingénierie. « Le local technique est situé au niveau N – 3, soit 6 m en dessous du bassin principal et 15 m plus bas que le patio ! La dynamique des fluides était un point crucial pour aboutir à une circulation suffisante pour que le système de filtration soit efficace. » En plus de la piscine principale, deux bassins à débordement ont également été réalisés dans l’espace bien-être : un bain froid et un watzu (bain à remous très chaud). « Les spécificités du watzu, température élevée et fréquentation importante, rendent nécessaire un traitement méticuleux. Plusieurs réacteurs UV moyenne pression ont été installés pour déchloraminer l’eau et éviter les odeurs pouvant être gênantes aux yeux d’une clientèle très exigeante. » La configuration des lieux a dicté certains choix techniques comme par exemple la multiplication des groupes de filtration : « Dans ce bâtiment ancien, les passages étroits nous ont obligés à recourir à des filtres de petite taille, comme l’explique Marc Idoine. Au final, cette configuration assure un traitement du bassin en continu même lorsqu’un équipement est momentanément arrêté. »

Fiche technique du projet :
Spa My Blend du Royal Monceau – Raffles
• Bassin patio : 6 m × 6 m, profondeur 0,35 m, fond plat vitré.
• Bassin principal : 22,75 m × 6,92 m, fond plat 1,40 m pour 220 m³, escalier sur toute une longueur.
• Bain froid : 2 m × 1,70 m, fond plat 1,15 m.
• Watzu : 4,20 m × 3,80 m, fond plat 1,20 m.
• Structure en béton armé.
• Goulottes de débordement et pièces à sceller sur mesure.
• Étanchéité : béton intégral, revêtement White Glass mélange de verre et de poudre de marbre.
• Hydraulicité du bassin principal : 18 buses de refoulement, 6 bondes de fond et 1 prise balai, bac tampon.
• 6 filtres à sable, 30 m³/h (Pentair)
• 6 pompes 25 m³/h, 3 CV Tristar (Hayward).
• Traitement : chlore liquide. Analyse de l’eau et régulation pH Pool Manager (Bayrol).
• 3 échangeurs de température 70 kW (Zodiac).
• 3 réacteurs UV basse pression utilisés comme déchloraminateurs (Bio UV).
• Régulateur de niveau d’eau automatique, compteur d’eau couplé à un disconnecteur.
• Équipement des trois autres bassins : régulation chlore/pH (sauf bain froid), échangeur de température, régulation du niveau automatique…
Carte d’identité de l’entreprise
IDOINE PISCINES
23, rue du Moulin des Prés
75013 Paris
Tél. 01 45 42 38 41
www.idoine-piscines.com
Dirigeant : Marc Idoine (PDG)
Effectif : 17 employés
Création : 1967
Activité : uniquement des réalisations de piscines d’intérieur
Clientèle : particuliers (50 %) et collectivités privées ou publiques (50 %)
Zone d’activité : principalement la région parisienne, mais quelques réalisations dans des contrées exotiques à la demande de clients particuliers